0
0
0
+38(093)6335513
вул. Східна, 62, м. Нововолинськ, Україна, 45400
Telegram
Viber
Замовити дзвінок
Всюди
Інструменти для мотоцикла
Автомобільні запчастини та аксесуари
Велосипеди та аксесуари
Квадроцикли та UTV
Кемпінг та туризм
Мотоекіпіровка та захист
Мотоелектроніка та зв'язок
Мотохімія та мастила
Мотоциклетні запчастини та аксесуари
Мотошини та диски
Підвіска та трансмісія мотоцикла
Кабінет
0
Кошик
Кошик
Ваш кошик порожній!
Це ніколи не пізно виправити :)
Про Нас
Оплата та доставка
Контакти
Повернення та обмін
1/1
Пошук
Дивилися
Контакти
Меню
+38(093)6335513
вул. Східна, 62, м. Нововолинськ, Україна, 45400
Головна
Контакти
Дивилися
Закладки
Порівняння
Інструменти та обладнання
Компресори та насоси
Компресори
Насоси для шин
Ручний інструмент
Ключі
Набори інструментів
Спеціальний інструмент
Діагностичне обладнання
Сканери OBD
Автомобільні запчастини та аксесуари
Інтер'єр
Автокрісла для дітей
Аксесуари інтер'єру
Килимки і покриття
Консоль даху
Крісла та чохли
Ручки та тримачі
Столики на двері
Безпека
Автомобільні шоломи
Вогнегасники
Кріплення табличок
Брендові запчастини
Запастини MOPAR
Запастини SIMSON
Запчастини Access
Запчастини Linhai
Ремонтні комплекти
Буксирування та евакуація
Буксирувальне обладнання
Гаки для буксирування
Кулі гака та кріплення
Якорі
Електроніка
Аксесуари
Вимикачі та реле
Звукові сигнали
Нахиломіри
Тюнінг-модуль
Чохли
Чохли на колеса
Кузов та екстер'єр
Багажник
Бампери та запчастини
Дахи
Двері та дзеркала
Дефлектори
Кріплення для каністр
Кришка заливної горловини
Кузов
Рамки та емблеми
Чохли на автомобіль
Освітлення автомобільне
LED-лампи
Автомобільні лампи
Задні ліхтарі
Кріплення
Освітлення інтер'єру
Поворотники
Система охолодження
Аксесуари системи охолодження
Радіатори та запчастини
Трансмісія та зчеплення
Зчеплення тюнінгові
Монтажні комплекти
Підшипники та деталі трансмісії
Велосипеди та аксесуари
Аксесуари
Багажники та кріплення
Велокомп'ютери та електроніка
Велоокуляри
Дзеркала та дзвінки
Замки та захист
Освітлення
Фляги та тримачі
Запчастини велосипеда
Гальма
Керування та сидіння
Крила
Велосипеди
Гірські велосипеди
Дитячі велосипеди
Електровелосипеди
Електроніка та комунікації
Акумулятори та живлення
Акумулятори
Електрообладнання
Сонячні панелі
Навігація
GPS-навігатори
Камери
Тримачі для телефонів
Захисний одяг та екіпіровка
Взуття
Аксесуари для взуття
Взуття мотоциклетне
Взуття туристичне
Захист
Захист спини
Захист торса та окремі елементи
Маски та балаклави
Наколінники
Налокітники
Панцирі
Одяг
Аксесуари для одягу
Дитячий одяг
Комбінезони
Куртки та жилети
Рукавиці
Термобілизна
Футболки та светри
Штани
Шоломи
Інтегральні
Аксесуари для шоломів
Відкриті
Велосипедні шоломи
Дитячі шоломи
Ендуро
Модульні
Квадроцикли та UTV
Аксесуари для квадроциклів
Графіка та наклейки
Кофри, сумки та органайзери
Лебідки та комплектуючі
Підйомники
Плуги та обладнання
Троси та ремені
Шакли та блоки
Захист для квадроциклів
Бампери
Безпека
Захист днища
Спеціальне обладнання
Гусениці до квадроциклів
Зимові аксесуари з підігрівом
Обладнання для догляду за територією
Тюнінг
Водозахист
Динаміки для квадроциклів та UTV
Кабіни UTV
Повітронагрівачі для UTV
Труби та глушники
Тюнінг Can-am
Запчастини квадроцикла
Segway запчастини
Гальма
Двигун, трансмісія та запчастини
Електрика
Підвіска та запчастини
Прилади керування та дзеркала
Кемпінг та туризм
Кемпінгове обладнання
Гамаки
Освітлення для кемпінгу
Плити та гриль
Спальні мішки
Столи та стільці
Туалети та душі
Холодильники
Намети та укриття
Дахові намети
Маркізи
Тенти та аксесуари
Спорядження для виживання
Аптечки та захист
Ліхтарики
Ножі та мультитули
Сумки
Термоси та посуд
Мотоциклетні запчастини та аксесуари
Аксесуари
Дзеркала
Наклейки та емблеми
Ручки та елементи керування
Сумки кофри та чохли
Кузов та захист
Багажники та кріплення
Бампери, дуги та запчастини
Вітрові скла
Захисні накладки
Запчастини мотоцикла
Гальмівна система
Електрика та освітлення
Запчастини двигуна
Підвіска
Сальники та скребки передньої вилки
Підшипники та сальники
Паливна система
Прилади керування
Система випуску та запчастини
Трансмісія та привід
Задні зірочки
Передні зірочки
Підвіска та трансмісія
Система підвіски
Амортизатори
Важелі
Підйомники
Пружини та прокладки
Гальмівна система
Гальмівні колодки
Привідна система
Блокування мостів
Диференціали
Карданні вали
Півосі та комплекти
Хімія та мастила
Засоби догляду
Захисні покриття
Миючі засоби та щітки
Просочення
Олії та мастила
Мастила для ланцюгів
Моторні олії
Технічні рідини
Трансмісійні олії
Фільтри
Масляні фільтри
Паливні фільтри
Повітряні фільтри
Шини, диски та колеса
Аксесуари для коліс
Вентилі та захист обода
Ковпаки
Комплект для ремонту коліс
Кріплення та підшипники
Ланцюги на колеса
Розширювачі колісних дисків
Диски
Алюмінієві диски
Сталеві диски
Шини
Всесезонні
Грязьові
Головна
Втулка верхнього важеля заднього TeraFlex
Втулка верхнього важеля заднього TeraFlex
>
Автомобільні запчастини та аксесуари
>
Трансмісія та зчеплення
>
Підшипники та деталі трансмісії
>
Втулка верхнього важеля заднього TeraFlex
Все про товар
Опис
Характеристики
Відгуки
0
Питання - відповідь
0
В наявності
Код:
TX611012
2450.00 грн
Купити
Купити в 1 клік
Скорочений опис
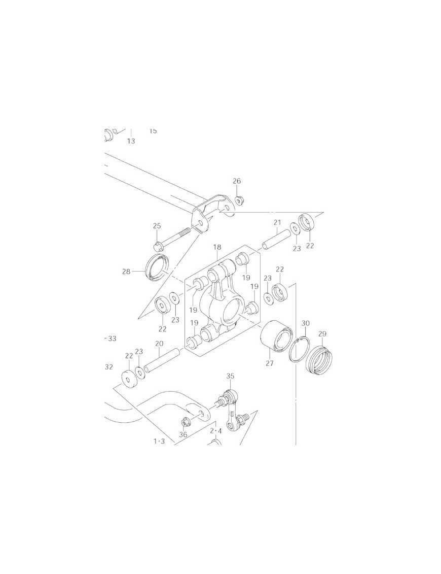
Монтажне отвір 9/16" / 14 ммМіцна, надійна конструкція високої якостіЛегка установкаУ комплекті:(1) Втулка ...
Читати далі...
Характеристики
Марка -
Джип.
Модель -
Wrangler JK 2 двері 07-18 Wrangler JK 4 двері 07-18
Переглянути все
Додаткові товари за вигідними цінами
Втулка верхнього важеля передня TeraFlex
TX611014
3030.00 грн
Втулка верхнього маятника OME OMESB3033
ARB-OMESB3033
3520.00 грн
Втулка верхнього переднього важеля 51236-40B00
SUZ5123640B00
1230.00 грн
Показати ще
Оплата та доставка
Повернення та обмін
Опис Втулка верхнього важеля заднього TeraFlex
Монтажне отвір 9/16" / 14 мм
Міцна, надійна конструкція високої якості
Легка установка
У комплекті:
(1) Втулка
Основні характеристики Втулка верхнього важеля заднього TeraFlex
Основні характеристики
Марка
Джип.
Модель
Wrangler JK 2 двері 07-18 Wrangler JK 4 двері 07-18
Відгуки про Втулка верхнього важеля заднього TeraFlex
0
0
Авторизація
1
0%
2
0%
3
0%
4
0%
5
0%
Немає відгуків про цей товар.
Питання та відповіді (FAQ) Втулка верхнього важеля заднього TeraFlex
Задати питання
Немає запитань про цей товар.
Задати питання
Увага
: HTML не підтримується! Використовуйте звичайний текст!
Втулка верхнього важеля заднього TeraFlex
Код: TX611012
В наявності
2450.00 грн